一级特级全黄,**a毛片高清免费看,日本特黄a特黄刺激大片,中国一级特黄**毛片免费看,一级黄色大片免费观看,黄色一级片免费,亚洲免费片

Jiawo Electromechanical series
A manufacturer and exporter specializing in the production of high pressure cleaning machines and motors.

H63-90

Motor (B14) without foot and with flange on end cover (with screw hole)

For more information, please send an email or call our hotline

jiawofanny@outlook.com

Product description

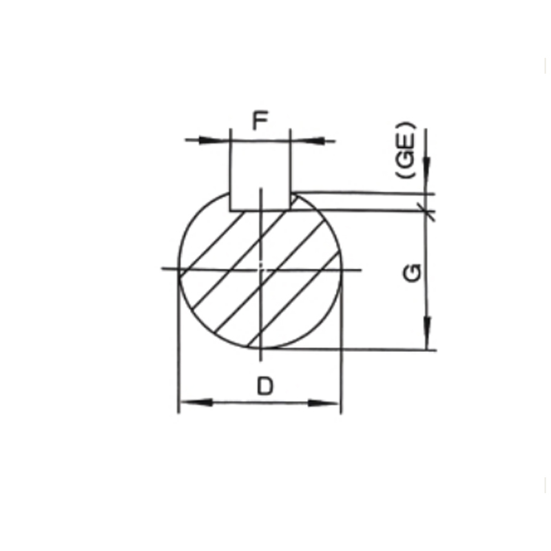
FramePloesDEFGMNPRSTHolesACADHFL
63M2.4112348.57560900M52.54130120230
71M2.4.614305118570105M6145125255
80M2.4.6.81940615.5100801203175145305
90S245082011595140M8195165360
90L390
100L2860241301101603.5215180180435
112M240190190470


go back

Tel:13566449999

E-mail:jiawofanny@outlook.com

Add:No.318,Chenguang Road,East New District,Wenling city,Taizhou city ,Zhejiang province,China

Manufacturer and exporter specializing in high pressure cleaners and motors

Focus on us for more dynamics 二維碼

copyright Taizhou Jiawo Electromechanical Co.,Ltd  網(wǎng)站地圖 Technical support: tzzhexing.com